TA的每日心情 | 拍拍 2022-6-27 11:09 |
|---|
签到天数: 25 天 [LV.4]
|
有人预言,RISC-V或将是继Intel和Arm之后的第三大主流处理器体系。欢迎访问全球首家只专注于RISC-V单片机行业应用的中文网站
您需要 登录 才可以下载或查看,没有帐号?立即注册
x
本帖最后由 sky 于 2021-5-4 11:47 编辑
RVB2601 板子整体干净利落,不过有些地方还可以做的更好,纯属个人观点。
- 引脚编号和功能说明
- 外设类型和功能
- 使用的芯片及其型号
- Flash 和 RAM 大小
- 支持的外设资源
这样是否会产生电磁干扰???(硬件不太懂)
跳线帽有横着的,有竖着的,刚看到的时候真的不知道这是啥操作,都没有敢直接上电。
本意是通过跳线帽来连接板载外设和芯片 GPIO。当你不需要使用板载外设,而是使用芯片的 GPIO 的时候,那么将对应的跳线帽拿掉即可。
我是从文档里了解到的,这种获取信息的方式不够直接了解跳线帽的作用,不知是否有更好的提示方式?
个人感受,LED 灯比较刺眼,希望可以将亮度降低。
出厂固件通常用来演示硬件功能,测试硬件是否异常,所以出厂固件最好不要有复杂的交互设计,而是可以直接运行。
- 《RVB2601开发板快速上手指南.pdf》文档并没有介绍出厂程序如何快速使用
通常,我们拿到开发板后,会阅读快速上手指南来熟悉开发板的硬件外设资源等,并通过出厂程序来快速验证开发板本身是否存在故障。
- 原理图封装 CH2601-QFN64 的复用功能展示真的很糟糕
- 原理图上的 LED_BULE 拼写错误
应该是 LED_BLUE 。
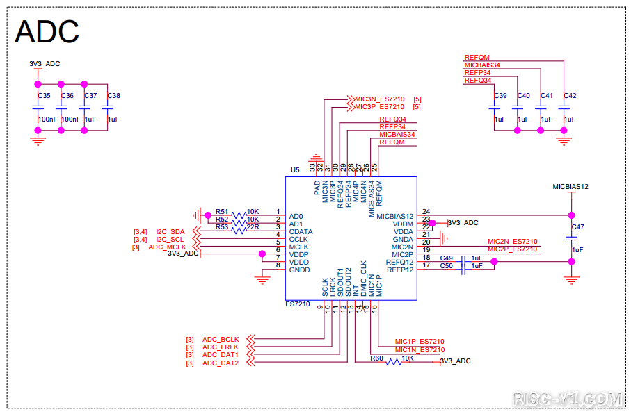
这里直接标注 ADC 不够清晰,至少一得说明下是 音频 ADC。
这里的标注 KEY 和 PULL_UP,突然多了一个 IIC,本意是表示这部分是 KEY 和 需要 PULL_UP 的电路,个人觉得这个分组确实不够合适。
PCB 丝印 J3 和 J4 不对称
关键点不在于不对称,而是 J3 标注位置太不明显,相反 J4 的标注位置非常明显。
- PCB 建议预留一组电源管脚(5v 和 3v3)
- 文档里的超链接无法跳转
资源下载里下载到的 PDF 文档应该是 Markdown 或者 RST 转化而来的,原本肯定是有超链接,不知为何 PDF 没有超链接。
建议使用在线文档。
- 这个 2.42 寸的单色 OLED 屏幕不是一个好的选择
建议使用 SPI 接口的 IPS TFT 彩屏或者选择其它全彩的 OLED 彩屏。
以上仅代表个人观点。
完
|
|